TEE TERMINAL FOR TAPPING TEE SADDLES – LOW PRESSURE

COMBUSTIBLE GAS use
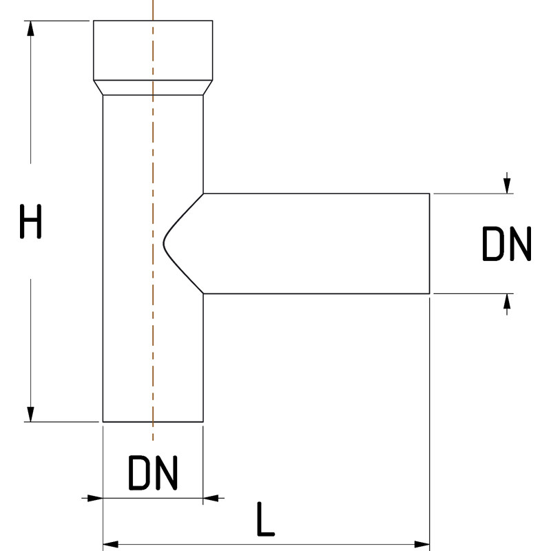
TEE terminal for tapping TEE saddles It isused on low pressure gas systems for type VI and VII pipelines (up to 0.5bar).
MOP 0,5 bar
MOP

Materials
  • Carbon steel tubing according to ISO 3183/API 5L, raw.
  • Threaded steel manifold ASTM A105.
Certifications
Technical notes
  • Weldable inlet and outlet connection.
Standards
  • UNI EN 1555-3
  • ISO 4437-3
  • UNI EN ISO 228-1

Dimensional

Reference DN (inch) DN (mm) L (mm) H (mm) Weight (kg)
1390000025 1" 25 97 130 1.00
1390000032 1 1/4" 32 102 140 1.50
1390000040 1 1/2" 40 104 150 1.70
1390000050 2" 50 115 160 2.50
1390000065 2 1/2" 65 138 190 4.00
1390000080 3" 80 155 200 6.10
1390000100 4" 100 182 220 8.50